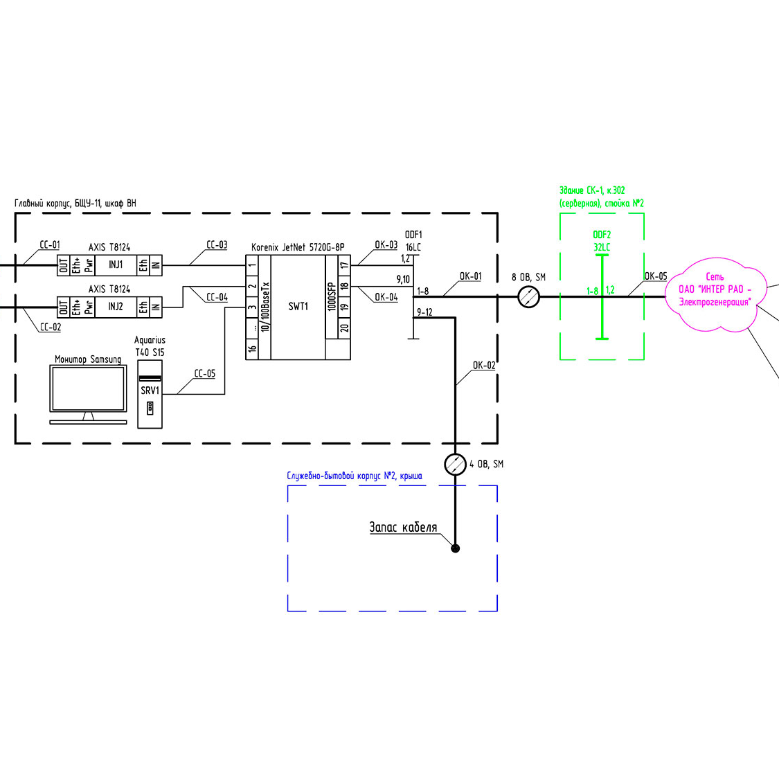
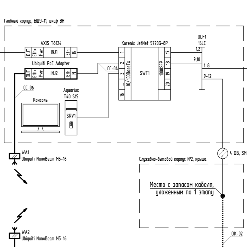
ПГУ-420 МВт ВТГРЭС. Проектирование системы видеомониторинга
Объект
ПГУ-420МВт ВТГРЭС
Город
Верхний Тагил
Заказчик
АО «Интер РАО – Электрогенерация»
Сроки выполнения
2014-12-29 – 2014-12-30
Описание
Были выполнены следующие работы:
•Проектные работы
•Поставка оборудования
•Строительно-монтажные работы
-Монтаж оборудования
-Монтаж радиотелевизионного и электронного оборудования
-Монтаж сетей связи
•Пуско-наладочные работы